STAFFE REGOLABILI PER TEGOLE -PFB-
Descrizione
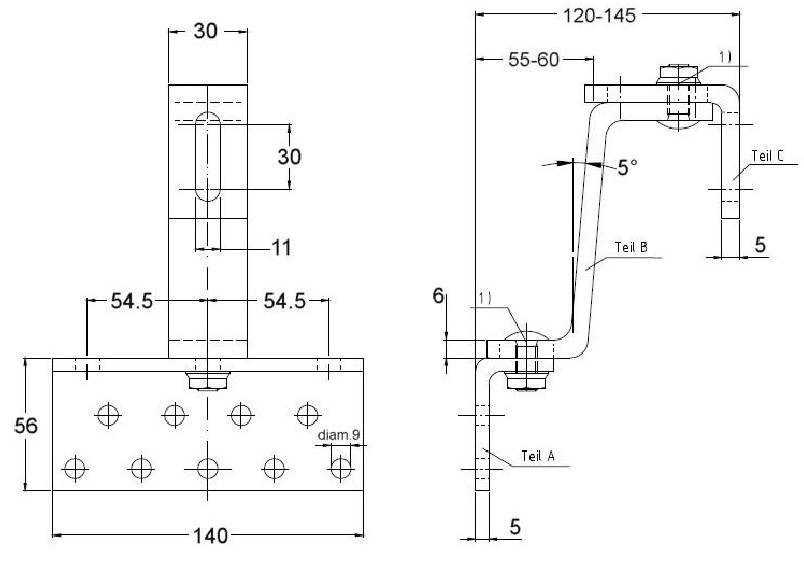
La regolazione permette di usare una staffa per più tipi di tegole, anche in base all’altezza del supporto delle tegole stesse (in relazione alla presenza di più o meno calce in fase di posatura). Si rendono indispensabili, su solette di copertura non perfettamente complanari in modo da regolare le altezze per ottenere poi un fissaggio del binario perfettamente in asse.
– Staffe PFB in inox A2, regolabili da 120 a 145mm.
L’accoppiamento di queste staffe con il nostro binario 40×40 (FV 03 000 009) deve essere eseguito con vite T.E. M10x25 (B 096 10 025) e dado flangiato (B 368 400 010) non fornito con la staffa, da ordinare separatamente.








Recensioni
Ancora non ci sono recensioni.