TASSELLO MEDIO PESANTE PFDS IN LAMIERA AVVOLTA
Descrizione
– Tassello passante PFDS medio pesante in acciaio zincato, in lamiera avvolta.
– Offre grande rapidità di serraggio.
– Ideale per calcestruzzo, pietra naturale o materiali di minore robustezza.
– La conformazione della manica consente una rapida espansione e la zigrinatura posta in fondo alla stessa assicura più aderenza alle superfici del foro.
– Il cono espansore, zigrinato esternamente evita la rotazione del tassello nella fase di serraggio.
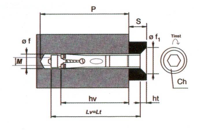
– La rondella larga del PFDSTE consente una migliore distribuzione del carico sulla superficie del pezzo.
– I tasselli PFDS TE montano rondella larga DIN 9021 e vite testa esagonale tutto filetto classe 8.8.
– I tasselli PFDS TPS montano vite testa piana svasata con esagono incassato tutto filetto classe 10.9.
Caratteristiche
DATI TECNICI SULL’ANCORANTE
| Filetto | Diametro Foro “Øf” | Coppia di serraggio “Tinst” | Carico di rottura a trazione con viteria 8.8 | Max carico alla trazione consigliato con viteria 8.8 | Carico di rottura a taglio con viteria 8.8 | Max carico al taglio consigliato con viteria 8.8 |
| M | mm | Nm | kN | kN | kN | Kn |
| 6 | 8/9 | 10 | 6,2 | 2,7 | 11,0 | 2,7 |
| 8 | 10/1 | 20 | 9,0 | 3,0 | 18,2 | 4,5 |
| 10 | 12/14 | 40 | 12,6 | 4,2 | 23,7 | 6,0 |
| 12 | 16 | 50 | 20,2 | 7,0 | 36,7 | 8,0 |
| 16 | 20 | 125 | 26,2 | 9,0 | 56,7 | 13,0 |
determinati a partire dalla resistenza ultima media riscontrata nelle prove.
1kN=100kgf
I carichi consigliati derivano dai carichi medi di rottura e sono comprensivi del coefficiente di sicurezza totale γ =4 (taglio γ = 3).
DATI PER L’INSTALLAZIONE
| Filetto | Interasse critico tra ancoranti | Distanza critica dal bordo | Interasse minimo tra ancoranti | Distanza minima dal bordo | Spessore minimo del supporto |
| “Scr” | “Ccr” | “Smin” | “Cmin” | “Hmin” | |
| M | mm | mm | mm | mm | mm |
| 6 | 180 | 100 | 90 | 50 | 60 |
| 8 | 240 | 120 | 120 | 60 | 90 |
| 10 | 280 | 150 | 140 | 80 | 110 |
| 12 | 330 | 200 | 150 | 100 | 110 |
| 16 | 380 | 300 | 190 | 150 | 120 |
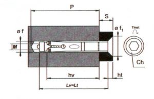
M=filettatura metrica; Øf=diametro foro; P=profondità foro; S=spessore fissabile; Lv/Lt=lunghezza vite, lunghezza tassello; CH=chiave; Tinst=coppia di serraggio;
IMPORTANTE PER L’ACQUIRENTE: Le caratteristiche tecniche sopra riportate sono state determinate attraverso metodi di prova standard; tuttavia il cliente dovrà svolgere test propri per determinare se i prodotti sono adatti all’uso che intende farne. La PANFIX Italia S.r.l. pertanto, non accetta nessuna responsabilità diretta o consequenziale per danni da applicazioni improprie o non conformi alle istruzioni fornite. L’acquirente deve preventivamente accertare l’idoneità del prodotto all’uso al quale intende destinarlo, assumendosi ogni responsabilità derivante dall’uso stesso.
| Tassello | VITE | Diam. foro “Øf” | “P” min | “S” max | “Tinst” | TASSELLO PFDS TE | TASSELLO PFDS TPS | |||
| “Øf” (mm) | M | Lv (mm) | (mm) | (mm) | (mm) | (Nm) | CH | ARTICOLO | CH | ARTICOLO |
| 8 | 6 | 65 | 8 | 35 | 25 | 10 | 10 | T 905 108 060 | 4 | T 905 208 060 |
| 8 | 6 | 100 | 8 | 35 | 60 | 10 | 10 | T 905 108 120 | ||
| 10 | 8 | 60 | 10 | 40 | 10 | 20 | 13 | T 905 110 060 | 5 | T 905 210 060 |
| 10 | 8 | 80 | 10 | 40 | 30 | 20 | 13 | T 905 110 080 | 5 | T 905 210 080 |
| 10 | 8 | 100 | 10 | 40 | 50 | 20 | 13 | T 905 110 100 | ||
| 10 | 8 | 120 | 10 | 40 | 70 | 20 | 13 | T 905 110 120 | ||
| 10 | 8 | 140 | 10 | 40 | 90 | 20 | 13 | T 905 110 140 | ||
| 12 | 10 | 70 | 12 | 50 | 10 | 40 | 17 | T 905 112 070 | 6 | T 905 212 080 |
| 12 | 10 | 100 | 12 | 50 | 50 | 40 | 17 | T 905 112 100 | 6 | T 905 212 110 |
| 12 | 10 | 120 | 12 | 50 | 70 | 40 | 17 | T 905 112 120 | 6 | T 905 212 120 |
| 12 | 10 | 150 | 12 | 50 | 100 | 40 | 17 | T 905 112 150 | ||
| 16 | 12 | 110 | 16 | 55 | 40 | 50 | 19 | T 905 116 110 | ||
| 16 | 12 | 130 | 16 | 55 | 60 | 50 | 19 | T 905 116 130 | ||













Recensioni
Ancora non ci sono recensioni.